服务热线:
0755-23143670
深圳市蔡伦科技有限公司
网站首页
振(震)动刀
圆刀
气动刀
V刀
喷胶阀
更多产品
案例展示
网站首页
振(震)动刀
振(震)动刀
一体式振(震)动刀
振(震)动刀配件
圆刀
圆刀
被动圆刀
圆刀配件
气动刀
气动刀
气动刀配件
V刀
V刀(斜切刀)
V刀(斜切刀)配件
喷胶阀
喷胶阀
喷胶阀配件
更多产品
半切刀
拖刀
铣刀头
冲孔刀
刀座
画笔
台面采集仪
压轮
激光切割头
案例展示
振(震)动刀视频演示
圆刀视频演示
V刀视频演示
气动刀视频演示
喷胶阀视频演示
其他视频演示
激光视频展示
技术服务
服务流程
安装尺寸
接线说明
新闻资讯
公司新闻
行业新闻
常见问题
关于我们
公司简介
技术专利
企业文化
在线留言
联系我们
关闭
安装尺寸
分类
服务流程
安装尺寸
接线说明
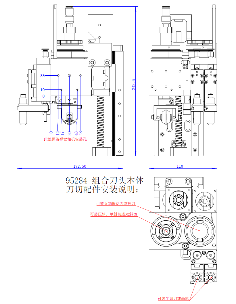
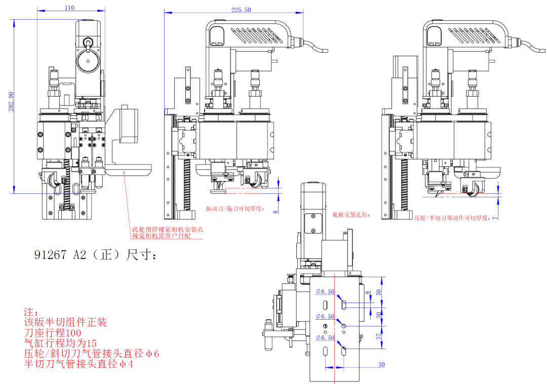
CLT91267组合刀头安装尺寸
详细介绍
CLT91267组合刀头安装尺寸图
上一篇:
CLT91249伺服振动刀安装尺寸
下一篇:
CLT91157一体式振动刀—B 安装尺寸